
浜у搧綆浠?/h3>閾炬澘緇欐枡鏈轟富瑕佺敤浜庣敓浜х幇鍦虹殑榪炵畫鎬х墿鏂欒緭閫侊紝浼犲姩浣撲負閽㈡澘鏉夸綋錛屽彈鍔涘ぇ錛屼笉鏄撳彉褰€?br/> 璇ラ摼鏉跨粰鏂欐満閫傚簲鍚勭被涓嶅悓澶栧艦鐨勭墿鏂欙紝鍏風敤涓瀹氳愬啿鍑繪у拰閫備簬楂樻俯鐗╂枡鐨勭壒鐐廣傚叾鍚屾牱閲囩敤鍙橀璋冮熺殑宸ヤ綔鏂瑰紡錛屾弧瓚沖鎴峰涓嶅悓閫熷害瑕佹眰鐨勫伐鑹洪渶瑕併?br/>
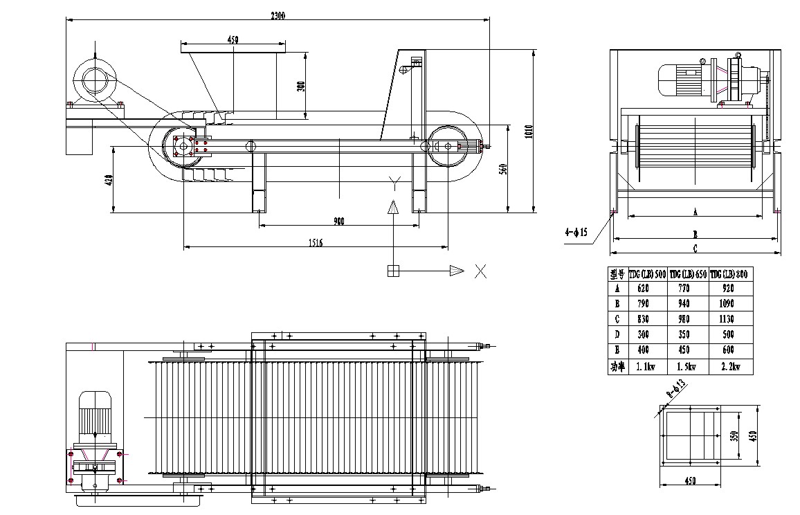
鈻燭DG-LB鍨嬫妧鏈弬鏁?/span> 鈼忓姩鎬佽閲忕簿搴︼細鹵2% 鈼忚皟閫熻寖鍥達細5錛?鎴?0錛? 鈼忕毊甯﹀搴︼細500錛?50錛?00 鈼忚緭閫佺墿鏂欒兘鍔涳細0.5-80t/h 鈼忕粰鏂欒窛紱伙細1500鈥?500mm 鈼忚緭鍏ユ柟寮忥細妯℃嫙閲?-20 mA 鈼忚緭鍑烘柟寮忥細妯℃嫙閲?-20 mA 鈼忓甫閫熷害錛?.4m/s 鈼忕墿鏂欐俯搴︼細鈮?00鈩冿紙楂樻俯錛?/span> |

|